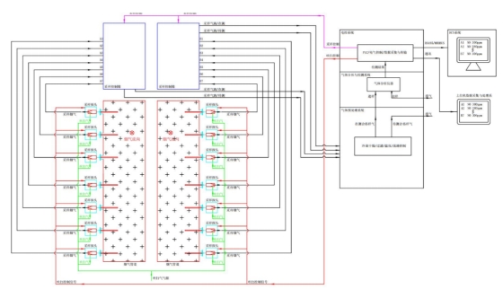
SCR出口增加NOx多点监测系统,对气体预处理系统、配电及电控系统、数据采集与传输系统等进行优化改造。系统由采样探头、采样管线、采样控制箱、气体预处理系统、配电及电控系统、数据采集与传输系统、NOx气体分析仪构成。测量原理:NOx检测采用非分散红外原理(NDIR);
采样方法:烟气采样采用完全抽取法;根据实际需求在脱硝出口A/B侧烟气烟道的截面上各布置相应的采样分析点数量;
采样控制:通过采样控制箱对采样分析点的烟气进行选择采样,将完全采样的烟气送至气体预处理系统进行处理;
预处理原理:冷干法;
数据传输:检测的数据以通讯或4-20mA的形式送至DCS系统、以通讯的形式送至上位机数据软件系统;

系统原理示意图